| 
 | |||||||
| 
 | |||||||
| 
 | 
| 
 
 
 
 | 
   Hittite射频开关快速选型指南 
 引言很多时分系统都需要用到射频开关, 特别是TD系统,开关更是必不可少. 
 右边框图就是射频开关在TD中的典型应用: 
 
 Hittite公司有从低频到高频, 从低功率到高功率等一系列的射频开关. 本文就对部分SPDT开关做一个快速选型的介绍, 更多的器件选择请访问  
			
			
			 低成本的射频开关 
 
 HMC226和HMC545频率从DC-2~3GHz, 可以用在450MHz,900MHz, 1.8-2.0GHz, TD等应用,差损只有0.5到0.8dB. SOT26封装形式简单,成本低,适用于一些对指标要求不高,成本控制比较严格的场合. 如无线抄表等. 
 高隔离度射频开关 图2: HMC545 表2: 
    
 
 采用非反射式结构, 开关内部集成50 ohms负载,吸收多余的功率,因此隔离度可以做得很高. 
 HMC39MS8G在2015MHz差损是1.0dB,隔离度高达57dB.同时它还有一个使能端Pin4 EN. 
 
 图3:HMC349MS8G 高功率射频开关 表3 
 
 HMC646LP2 是一款GaAs MMIC开关, 在Tx端口, P0.1dB为+46dBm, IIP3为+74dBm. 非常适合用在TD的大功率直放站或者基站中. 
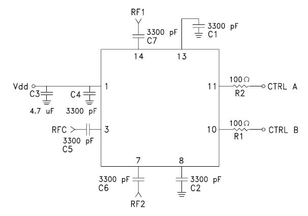
 射频开关在CATV中的应用 HMC348LP3 用在75 Ohms中, 900MHz的指标如下: 表4 
 
 
 在500MHz以下的电路应用中, 图中C1/C2电容对隔离度的影响非常明显. 为了使开关有理想的隔离度,这个两个3300p的电容是必不可少的. 
 在500MHz以上电路, C1/C2可以100pF到300pF的电容. 
 
 图四:HMC348LP3应用电路 
     Notes: * 除非特殊说明,本文所有数据全部在f=2015MHz,Vctl=+5V 测得 ** 控制电压越大,开关的P1dB和IIP3也会相应的增加. 以HMC226为例, 900MHz测试: 
			 *** 采用负压控制,可以实现宽频带控制, 最低频率至DC. 
 |  | 
更多产品请看本公司产品专用销售网站:欢迎来电查询购买SSTKJ产品或索取免费详细资料、设计指南和光盘 ;产品凡多,未能尽录,欢迎来电查询。
SSTKJ射频微波光电产品网:HTTP://www.rfoe.net/ SSTKJ传感器专家仪器仪表世界网:http://www.sensor-ic.com/
SSTKJ智能工控公共安全网:http://www.pc-ps.net/ SSTKJ电子元器件网:http://www.sunstare.com/
SSTKJ军工产品网:hrrp://www.Junpinic.com/ SSTKJ单片机专用电路网://www.icasic.com/
SSTKJ实业科技产品网://www.sunstars.cn/ 射频微波光电元器件销售热线:
地址:深圳市福田区福华路福庆街鸿图大厦1602室
电话:0755-83396822 83397033
传真:0755-83376182 (0)13823648918 MSN: SUNS8888@hotmail.com
邮编:518033 E-mail:szss20@163.com QQ: 195847376
深圳赛格展销部:深圳华强北路赛格电子市场2583号 电话:0755-83665529 13823648918
技术支持: 0755-83394033 13501568376
北京分公司:北京海淀区知春路132号中发电子大厦3097号 TEL:4006579498 18927445855 13823791822 FAX:010-62543996
上海分公司:上海市北京东路668号上海賽格电子市场D125号 TEL:4006571586 56703037 13823676822 FAX:021-56703037
西安分公司:西安高新开发区20所(中国电子科技集团导航技术研究所) 西安劳动南路88号电子商城二楼D23号
TEL:4006572198 13072977981 FAX:029-88789382